時間:2018-10-31 10:18:09 品牌: 首安
![[!--oldtitle--]](/d/file/baojingshebei/2018-10-31/ea5e723d1923bf8dde05025549cc8b05.jpg)
一、SL-D622 點型紅外火焰探測(cè)器産(chǎn)品概述
SL-D622點型紅外火焰探測器屬於防爆智能型火災探測設備,它運用瞭雙紅外傳感技術(MIR),使用兩隻具有窄帶濾波的不同波長的紅外傳感器,其中一隻傳感器工作在反映火焰信息的中心波長,另外一隻傳感器監視環境中的其他紅外輻射,結合火焰的閃爍特征,通過高性能的微處理器和先進的數學算法模型進行運算分析,使得隻有符合火焰特征的輻射頻譜才會被確認爲火警,而其他的幹擾因素形成的假火警信号則會被排除。首安SL-D622點型紅外火焰探測器能夠對日光、閃電、電焊、人工光源、環境(人等) 、熱輻射、電磁幹擾、機械振動等幹擾有良好的抑制,從而實現瞭對火焰信号的快速響應和準確識别。本探測器採用非接觸式探測,靈敏度現場可調,提供無源 接點、标準電流輸出和總線接口與火災報警系統相連接。
首安SL-D622 紅外火焰探測器适用於無煙液體和氣體火災、産生煙的明火以及産生爆燃的場所 。例如:航天工業、飛機庫、飛機修理場、化學工業、公路隧道、彈藥和爆炸品倉庫、油漆工廠、石油化工企業、制藥企業、發電站、印刷企業、易燃材料倉庫 等可燃物含碳物質的其他場合。
SL-D622紅外火焰探測器根據GB3836.1-2010《爆炸性氣體環境用電氣設備 第1部分:通用要求》、GB3836.2-2010《爆炸性氣體環境用電氣設備第2部分: 隔爆型“d”》的規定,制成隔爆型結構,其防爆标志:ExdⅡCT6。 适用於工廠具有ⅡA、ⅡB、ⅡC級,引燃溫度組别爲T1~T6組的1區、2區可燃性氣體或蒸氣與空氣形成的爆炸性混合物的場所。
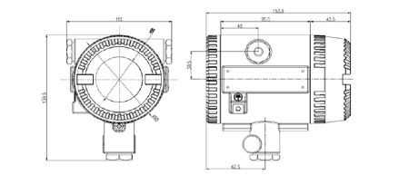
二、SL-D622點(diǎn)型紅外火焰探測(cè)器外形及安裝尺寸

SL-D622火焰探測(cè)器外形及安裝尺寸圖(tú)
三、首安SL-D622火焰探測(cè)器型号和主要技術參(cān)數
(1)SL-D622紅外火焰探測器型号含義:

(2)防爆标志含義:

(3)SL-D622點型紅外火焰探測器技術參數:
| 型号 | SL-D622 |
| 防爆标志 | ExdⅡCT6 |
| 防護等級 | IP66 |
| 工作電壓 | DC18V~DC30V(标稱值DC24V) |
| 工作電流 | ≤35mA(24VDC) |
| 信号輸出 | 繼電器無源點、0-20mA、總線輸出 |
| 安裝方式 | 壁裝或吊裝 |
| 響應時間 | <30s |
| -大探測距離 | 42m底面尺寸爲(33㎝×33㎝)的正庚烷火盆 |
| 保護角度 | ≤90° |
| 重量 | 2±0.2kg |
| 外殼 | 鋁合金 |
| 電纜引入裝置接口 | 标配:1/2NPT外螺紋 |
| 環境溫度 | -20℃~+60℃ |
| 相對濕度 | ≤95﹪RH(40±2℃) |
| 執行标準 | GB15631-2008 |
四、首安SL- D622點(diǎn)型紅外火焰探測(cè)器防爆要點(diǎn)
(1)在進行探測器結構設計時充分考慮瞭當爆炸性混合物侵入其内部,因某種原因發生爆炸時,不緻引起分析儀外部的爆炸性混合物爆炸的宗旨,從外殼強度和組成外殼各零部件的接合面間隙、長度以及限制外殼-高表面溫度等關鍵條件著手,確保隔爆性能。
(2)隔爆外殼精加工後,進行靜壓試驗,試驗壓力爲1.5MPa,曆時10~12s ,試驗結果以不滴水爲合格。
(3)隔爆接合面參數符合GB3836.2-2010的要求;隔爆面是産品的重要防爆 措施,使用及維修時應注意保護隔爆面,不得磕碰、劃傷。
(4)探測器正常運行時,其外殼-高表面溫度不超過60℃。
(5)探測器内-小電氣間隙爲6mm,帶電部件與外殼之間-小爬電距離爲10mm 。
(6)探測器的内外接地是確保其安全運行的重要措施,接地端子分别設在控 制箱内外部,旁邊有接地标志“〨”。
(7)探測器外殼的明顯部位有“嚴禁帶電開蓋”字樣的警告牌。
(8)探測器安裝於外力沖擊沖擊不到的場所。
五、SL-D622點(diǎn)型紅外火焰探測(cè)器接線方式
所有信号線和電源線宜採用截面積大於1.0mm2的導線,並嚴格按規範要求進行布線,其中探測器外殼應良好接地。
探測器接線定義見下表:
| 編号 | 定義 | 電路特征 | 描述 |
| 1 | 紅 | +24V | 供電電源 |
| 2 | 黑 | GND | 供電電源 |
| 3 | - | MAS | 電流輸出 |
| 4 | 綠 | FR-C | 火警輸出 |
| 5 | 藍 | FR-NO | 火警輸出 |
| 6 | - | FR-NC | 火警輸出 |
| 7 | 黃 | FL-C | 故障輸出 |
| 8 | 白 | FL-NO | 故障輸出 |
| 9 | - | 485-A | 通訊輸出 |
| 10 | - | 485-B | 通訊輸出 |
| 0~20mA電流輸出定義 | 0~20mA電流輸出定義 | 0mA(+0.5mA) | 設備故障狀态 |
| 0~20mA電流輸出定義 | 0~20mA電流輸出定義 | 5mA(±5%) | 正常監視狀态 |
| 0~20mA電流輸出定義 | 0~20mA電流輸出定義 | 15mA(±5%) | 火警輸出狀态 |
注:(1)上表中“接線标示”是指探測器自帶1.5米長主電纜的接線情況。
(2)無源點輸出和标準電流輸出一般不同時使用,用戶可以拆開探測器前蓋 後根據需要在端子上相應接出。
六、SL-D622 點(diǎn)型紅外火焰探測(cè)器靈敏度和通訊ID設定
SL-D622點型紅外火焰探測器報(bào)警靈敏度(Ⅰ級、Ⅱ級、 Ⅲ級)可以通過撥(bō)碼開關S1(紅色,見下表)設定,以滿足不同場所需要:
| 編号 | 圖示 | 二進制編碼 | 靈敏度等級 |
| 1 | ![]() |
00 | Ⅰ級(-靈敏) |
| 2 | |
01 | Ⅱ級(出廠設定值) |
| 3 | |
10 | Ⅲ級 |
| 4 | ![]() |
11 | Ⅳ級 |
注:首安SL-D622紅外火焰探測(cè)器靈敏度和設備(bèi)通訊ID設定結束後,探測(cè)器需重新上電複位。